乳腺结构不良(mammary dysplasia)又称乳腺纤维囊性病(fibrocystic disease of breast)或乳腺病(mastopathy)等,是妇女最常见的乳腺疾病,可发生于青春期后任何年龄,35~40岁为其发病年龄高峰。其病因一般认为是由于卵巢内分泌失调使性激素不平衡,主要是黄体酮减少而雌激素分泌过多,刺激乳腺组织过多增生所致。依其增生变化的形式,可分以下3种类型:
(一)乳腺组织增生
为本病早期病变,多见于30~40岁妇女,主要以乳房周期性疼痛为特征,伴有与月经周期有关的乳腺肿胀,单侧或双侧乳腺可触及弥散的颗粒状肿块。
【病变】
肉眼上一般无明显变化,乳腺组织切面有时可见散在小颗粒,偶见小囊。镜检可见乳腺小叶大小不一,形状不规则,末梢导管呈芽状增生,腺泡增多。管腔呈轻度扩张或有小囊腔形成,上皮细胞正常或增生为两层以上,有的可出现分泌现象。小叶间质纤维组织增生。这些病变通常在1~3年内可自行消失,部分病例可复发或发展为腺病。
(二)乳腺腺病
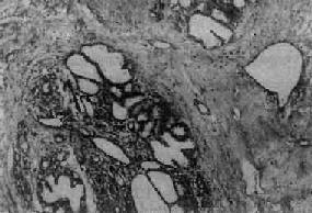
乳腺腺病(adenosis)以小叶腺泡、末梢导管和结缔组织增生为特征,小叶结构基本保存。依其不同发展阶段的不同组织学变化,大致可分为3型:①小叶增生型,主要表现为小叶的数目及小叶内腺泡数目略增多,因而小叶增大。上皮细胞没有明显改变或可呈双层、多层,小叶内导管可稍扩张。小叶内及其周围有多少不等的淋巴细胞浸润。小叶间结缔组织不增多或轻度增多。②纤维腺病型,一般由小叶增生型发展而来。主要特点是小叶内除末梢导管和腺泡增生外,间质结缔组织也有较明显增生(图13-24)。早期由于腺泡继续增生而使小叶增大;后期由于小叶内结缔组织明显增多,致使腺泡分散、变形,甚至萎缩。有的区域增生的肌上皮细胞没有基底膜,而是直接与胶原纤维接触,这可能说明肌上皮细胞有产生胶原纤维的可能,这时称之为硬化性腺病(sclerosing adenosis)。硬化性腺病有时与乳腺硬癌不易鉴别,但前者可见小叶轮廓、细胞无异型性、核分裂像罕见,是与乳腺癌的主要鉴别点。③小叶纤维化型,是腺病的晚期表现,一般为纤维腺病继续发展的结果。主要特点为小叶内间质纤维化和腺泡萎缩。小叶的轮廓有时存在,但也可消失,仅残存一些萎缩的导管。有时也可看到末梢导管扩张。

图13-24 纤维腺病
末梢导管、腺泡和间质均呈明显增生,部分腺泡及导管扩张,间质内有一些淋巴细胞浸润
(三)囊肿病
乳腺囊肿病(cystic disease)以小叶末梢导管和腺泡高度扩张成囊为特征。囊腔大小不等,多少不一,往往在肉眼上即可见到多人散在分布的小囊腔,直径在500~700μm以上者,称为囊肿病。镜检,囊内衬立方或柱状上皮及肌上皮细胞,在早期尚可见两层细胞结构,以后,部分或全部呈萎缩状态;有时在上皮萎缩消失处可见溃疡或肉芽组织形成;有的囊肿上皮则可增生,上皮细胞呈柱状,体积增大,有时增生的上皮构成筛状;或呈多发性乳头状瘤样增生,当若干扩张的导管和囊肿内均有乳头状增生时,则称为乳头状瘤病。此外,往往可见上皮呈大汗腺化生,细胞体积大、胞浆丰富、嗜酸性,PAS反应阳性。这种大汗腺化生往往是良性的标志,不要误诊为癌。
现在一般认为腺病与癌的关系不大,囊肿病伴有增生性病变时,癌变的机会较多,属于癌前病变。
乳腺癌很常见,我国乳腺癌的发病率仅次于子宫颈癌而居女性癌瘤的第二位,近年来有不断增加的趋势。常发生于50岁左右的妇女,20岁以前很少见。患者女性亲属中乳腺癌的发病率高于常人2~3倍。其发生原因尚未完全阐明,一般认为可能与雌激素长期作用有关。本癌半数以上发生于乳腺外上象限,其次为乳腺中央区和区上象限。
【类型】
乳腺癌形态结构十分复杂,类型很多。一般根据组织发生和形态结构而将其分为导管癌、小叶癌和特异性癌三大类型:①导管癌,较多见,来源于乳腺导管系统,特别是末梢导管,包括非浸润性导管内癌及浸润性导管癌;②小叶癌,较少见,又称腺泡内癌,来源尚未完全确定,有人认为系起源于肌上皮细胞,也有人认为发生于小叶内导管,包括非浸润性的小叶原位癌及浸润性小叶癌;③特殊型癌,少见,为具有特殊形态结构的一类乳腺癌,如粘液癌、大汗腺样癌、腺样囊性癌、鳞状细胞癌及炎性癌等。
(一)导管内癌
多发生于乳头下乳晕周围,近半数病人在局部可扪及大小不等的肿块或境界不清的肥厚组织。肿块与皮肤无粘连。部分病人表现乳头溢液。由于癌在导管内生长并充满导管腔,致使导管扩张,因而在切面上可见导管为条索状(纵切)或小结节状(横切),灰白色或黄灰色,挤压之可从导管中挤出蠕虫样的半固体性物质。镜检,癌细胞位于扩张的导管内,基底膜完好。癌细胞大小形状不一,细胞分化程度各例不等,分化较高者,核分裂像少见;分化较低的病例,细胞异型性明显,核分裂像多见。其组织结构多样,癌细胞可在扩张的导管内排列成实心团块、乳头状、筛状、小管状,部分病例在管内实体细胞团中央可发生大片坏死,称粉刺性管内癌。
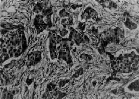
(二)浸润性导管癌
由导管内癌发展而来,为乳腺癌中最常见的类型,约占乳腺癌的50%~80%,以40~60岁妇女为最多见。
【病变】
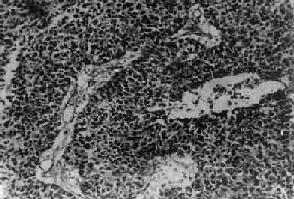
肉眼观,肿块一般较小,直径多为2~3cm,质硬,边缘不整,常可见到灰白色癌组织呈放射状侵入邻接纤维脂肪组织内。如果癌瘤位置浅,则可侵犯皮肤,与皮肤粘连并导致皮肤出现不规则浅表微小凹陷,呈橘皮样外观;如累及乳头,可出现乳头回缩、下陷现象(图13-25)。镜检,组织形态多样,癌细胞组成实体团块或腺样结构,两者常混合存在。其中多数病例主要由实体癌细胞团组成,称为实体癌。一般根据实体癌的癌实质与纤维组织间质比例的不同,又将其分为单纯癌(simple carcinoma),实质与间质量大致相等(图13-26);硬癌(scirrhous carcinoma),癌实质少而间质多;和不典型髓样癌(atypical medullary carcinoma),癌实质多而间质少,间质内常无淋巴细胞浸润(图13-27),癌细胞常呈多形性,核异型性明显,核分裂像易见。

图13-25 乳腺癌
切面癌组织灰白色,较大的肿块左侧形成卫星结节;乳头略下陷

图13-26 浸润性导管癌(单纯癌)
癌细胞和间质量大致相等

图13-27 乳腺髓样癌
癌细胞排列成片团状,间质少
(三)小叶原位癌
一般发生于绝经前妇女。临床上一般摸不到肿块,也无症状。标本肉眼观与一般小叶增生不易区别。镜检,癌变小叶体积增大,但小叶轮廓尚保存,小管高度扩张,其中充满单一松散排列的癌细胞。癌细胞呈圆形,大小形状较为一致,核圆形及卵圆形,核分裂像很少。基底膜完整。小叶原位癌经过一定时间可发展为浸润性小叶癌。
(四)浸润性小叶癌
由小叶原位癌突破小管或末梢导管基底膜向间质浸润所致。在大体上很像硬癌,肿块不规则盘状,与周围乳腺组织的边界不清。镜检的特征是癌细胞排列松散,呈条索状;有时为分散的单个癌细胞浸润于成束的纤维组织之间,这些细胞并无组成小叶的痕迹。癌细胞小或中等大小,多呈圆形、椭圆形或梭形,细胞的大小及染色较一致。有时可见从小叶原位癌向浸润性小叶癌过渡的形态。
(五)典型髓样癌
较少见。肿块体积常较大,直径4~6cm或更大,边界较清楚,质松软,灰白色,常杂以灰黄色或暗红色坏死出血区。镜下,癌实质多,间质少。癌细胞较大,圆形、卵圆形,胞浆嗜碱性,核大,染色质丰富,核仁不明显,分裂像较多。间质纤维组织稀少,其中常有淋巴细胞浸润。
本癌一般生长较慢,腋窝淋巴结的转移较少也较晚。预后比浸润性乳腺癌为佳,根治术后5年存活率近70%。