鼻以软骨和骨构成支架,表面的皮肤较厚,皮脂腺和汗腺较发达。为痤疮和疖的好发部位。鼻腔内面覆以粘膜,粘膜下方为软骨、骨或骨骼肌。鼻粘膜分前庭部、呼吸部和嗅部三部分。
(一)前庭部
前庭部(vestibular region)是邻近外鼻孔的部分。粘膜表面为复层扁平皮上皮,近外鼻孔处为角化型上皮,其余为未角化上皮。固有层为致密结缔组织。近外鼻孔的粘膜含鼻毛和皮脂腺,鼻毛无立毛肌。可阻挡胃吸入空气中的大尘粒。近呼吸部的粘膜固有层内有少量混合腺及弥散淋巴组织。
(二)呼吸部
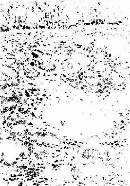
呼吸部(respiratory region)的面积较大,占鼻粘膜的大部,包括下鼻甲、中鼻甲、鼻道及鼻中隔中下份等粘膜。生活状态的粘膜呈淡红色,表面为假复层纤毛柱状上皮,杯状细胞较多(图14-1)。上皮纤毛向咽部快速摆动,将粘液及粘着的尘粒推向咽部而被咳出。固有层结缔组织内有较多粘液腺、浆液腺和混合腺,分泌物经导管排入鼻腔,与上皮内杯状细胞分泌物共同形成一层粘覆于纤毛上。呼吸部粘膜的血液供应较丰富,并有丰富的静脉丛,中、下鼻甲处尤多,使粘膜形成许多小隆起。静脉丛管壁薄,腔大似窦状,它们随动静脉吻合的开放和关闭而有周期性充血变化,通过散热和渗出,对吸入空气起加温和湿润作用,患鼻炎时,静脉丛异常充血,粘膜肿胀,分泌物增多,鼻道变窄。固有层内淋巴组织较多,还可见嗜酸性粒细胞、嗜碱性粒细胞和肥大细胞,患过敏性鼻炎时,鼻分泌物中可见此类细胞。

图14-1 人鼻呼吸部粘膜HE × 100
Ep假复层纤毛柱状上皮 G腺泡 V小静脉
(三)嗅部
嗅部(olfactory region)粘膜面积小,位于上鼻甲和相对的鼻中隔上份及鼻腔顶部,人两侧嗅粘膜的总面积约2cm2,某些动物的嗅粘膜面积大,如狗为100cm2。活体的嗅粘膜呈棕黄色,与淡红色的呼吸部分界明显.嗅粘膜表面的嗅上皮为假复层柱状上皮,无纤毛细胞和杯状细胞,由支持细胞、基细胞和嗅细胞组成(图14-2)。
1.支持细胞 细胞呈高柱状,顶部宽大,基部较细,游离面有许多微绒毛。核卵圆开,位于细胞上部,胞质内含有黄色色素颗粒。支持细胞分隔嗅细胞,使每个嗅细胞为一个功能单位,两者之间形成连接复合体,起支持和保护嗅细胞的作用。
2.基细胞 细胞呈圆形或锥形,位于上皮深部。细胞有细小突起,伸于上皮内其他细胞之间。基细胞有分裂和分化能力,能分化为支持细胞和嗅细胞。
3.嗅细胞 嗅细胞(olfactory cell)呈细长梭形,是一种双极神经元,它是唯一的一种存在于上皮内的感觉神经元。嗅细胞分散于支持细胞之间,人约有107个,狗有2.2×108。嗅细胞分胞体、树突和轴突三部分,含核的胞体部位于上皮的中部。顶部的树突呈细棒状,伸向上皮表面,突起末端膨胀大呈球状,称嗅泡(olfactory vesicle),从嗅泡伸出10~30根纤毛,称嗅毛(olfactory cilia)。嗅毛较长,向一侧倾倒,平铺在上皮表面,埋于较厚的浆液层内。嗅毛的结构不同于动纤毛,基内的微管无动力臂,故嗅毛无摆动性。胞体基部伸出细长轴突,穿过基膜,在固有层内由施万细胞包裹,形成无髓神经纤维,组成嗅神经(图14-2)。嗅神经穿过颅骨筛板,与嗅球内的神经元树突构成突触。嗅毛为嗅觉感受器,可能具有不同的受体,分别接受不同化学物质的刺激,使嗅细胞产生冲动,传入中枢,产生嗅觉。
嗅粘膜固有层为薄层结缔组织,与深部骨膜相连。固有层内的血管较丰富,并有许多浆液性嗅腺。嗅腺腺泡分泌的浆液经导管排至上皮表面,可溶解吸入空气中的化学物质,刺激嗅毛。浆液的不断分泌,又可清洗上皮表面,保持嗅细胞感受刺激的敏锐性。

图14-2 嗅粘膜上皮细胞超微结构模式图