【总论】
结节病(sarcoidosis)是一种多系统多器官受累的肉芽肿性疾病。常侵犯肺、双侧肺门淋巴结,临床上90%以上有肺的改变,其次是皮肤和眼的病变,浅表淋巴结、肝、脾、肾、骨髓、神经系统、心脏等几乎全身每个器官均可受累。本病为一种自限性疾病,大多预后良好,有自然缓解的趋势。
结节病的发病情况,世界各地颇有不同,在寒冷的地区和国家较多,热带地区较少。瑞典年发病率最高,为64/10万,尸检实际患病率可达267/10万-641/10万。其他北欧地区年发病率为17.6/10万-20/10万。美国年发病率为11/10万-40/10万,以黑人居多。日本自1912年于1990年已报道3106例,我国1958年报道首例,至1991年全国已报道了400余例。
结节病多见于中青年人,儿童及老人亦可罹患。据统计,20-40岁患者占总人数的55.4%,19岁以下占12.9%,60岁以上占8.3%。我国平均发病年龄为38.5岁,30-49岁占55.6%。男女发病率大致相同,女略多于男(女:男为7:5),黑人女性为男性的2倍。
【病因和发病机制】
病因尚不清楚。曾对感染因素(如细菌、病毒、支原体、真菌类等)进行观察,未获确切结论。对遗传因素也进行过研究,未能证实。近年有作者以PCR技术在结节病患者中发现结核杆菌DNA阳性率达50%,因些提出结节病是分支杆菌侵入组织的结果,但许多实验未证实此论点。现多数人认为细胞免疫功能和体液免疫功能紊乱是结节病的重要发病机制。在某种(某些)致结节病抗原的刺激下,肺泡内巨噬细胞(Am)和T4细胞被激活。被激活的Am释放白细胞介素-1(IL-1),IL-1是一种很强的淋巴因子,能激发淋巴细胞释放IL-2,使T4细胞成倍增加并在淋巴激活素的作用下,使B淋巴细胞活化,释放免疫球蛋白,自身抗体的功能亢进。被激活的淋巴细胞可以释放单核细胞趋化因子、白细胞抑制因子和巨噬细胞移行抑制因子。单核细胞趋化因子使周围血中的单核细胞源源不断地向肺泡间质聚集,结节病时其肺泡内浓度约为血液的25倍。在许多未知的抗原及介质的作用下,T淋巴细胞、单核细胞及巨噬细胞等浸润在肺泡内,形成结节病早期阶段--肺泡炎阶段。随着病变的发展,肺泡炎的细胞成分不断减少,而巨噬细胞衍生的上皮样细胞逐渐增多,在其合成和分泌的肉芽肿激发因子(granuloma-inciting factor)等的作用下,逐渐形成典型的非干酪性结节病肉芽肿。后期,巨噬细胞释放的纤维连结素(fibronectin,Fn)能吸引大量的成纤维细胞(Fb),并使其和细胞外基质粘附,加上巨噬细胞所分泌的成纤维细胞生长因子(growth factor of fibroblasts,GFF),促使成纤维细胞数增加;与此同时,周围的炎症和免疫细胞进一步减少以致消失,而导致肺的广泛纤维化。
总之,结节病是未知抗原与机体细胞免疫和体液免疫功能相互抗衡的结果。由于个体的差异(年龄、性别、种族、遗传因素、激素、HLA)和抗体免疫反应的调节作用,视其产生的促进因子和拮抗因子之间的失衡状态,而决定肉芽肿的发展和消退,表现出结节病不同的病理状态和自然缓解的趋势。
【病理】
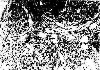
结节病肉芽肿在组织切片上可见为皮样细胞的聚集,其中有多核巨噬细胞,周围有淋巴细胞,而无干酪样病变(图2-11-1)。在巨噬细胞的泡浆中可见有包涵体,如卵圆形的舒曼(Schaumann)小体,双折光的结晶和星状小体(asteroid body)(图2-11-2)。肺结节病的初发病变有较广泛的单核细胞、巨噬细胞、淋巴细胞浸润的肺泡炎,累及肺泡壁和间质。肺泡炎和肉芽肿都可能自行消散。但在慢性阶段,肉芽肿周围的纤维母细胞胶原化和玻璃样,成为非特异性的纤维化。肉芽肿的组织形态学表现并无特性,可见于分支杆菌和真菌感染,或为异物或外伤的组织反应,亦可见于铍病、第三期梅毒、淋巴瘤和外源性变态反应性肺泡炎等,应行鉴别。但在多器官中见到同样的组织病变,结合临床资料,可诊断本病。

图2-11-1 结节病肉芽肿
结节主要由类上皮细胞组成,中央无干酪样坏死,周围淋巴细胞少,边界清楚
【临床表现】
结节病的临床表现视其起病的缓急和累及器官的多少而不同。胸内结节病早期常无明显症状和体征。有时有咳嗽,咳少量痰液,偶见少量咯血;可有乏力、发热、盗汗、食欲减退、体重减轻等。病变广泛时可出现胸闷、气急、甚至发绀。可因合并感染、肺气肿、支气管扩张、肺原性心脏病等加重

图2-11-2 结节病肉芽肿巨细胞内的星状小体
病情。如同时结节病累及其他器官,可发生相应的症状和体征。如皮肤最常见者为结节性红斑,多见于面颈部、肩部或四肢。也有冻疮样狼疮(lupus pernio)、斑疹、丘疹等。有时发现皮下结节。侵犯头皮可引起脱发。大约有30%左右的病人可出现皮肤损害。眼部受损者约有15%的病例,可有虹膜睫状体炎、急性色素层炎、角膜-结膜炎等。可出现眼痛、视力模糊、睫状体充血等表现。有部分病人有肝和(或)脾肿大,可见胆红素轻度增高和碱性磷酸酶升高,或有肝功能损害。纵隔及浅表淋巴结常受侵犯而肿大。如累及关节、骨骼、肌肉等,可有多发性关节炎、X线检查可见四肢、手足的短骨多发性小囊性骨质缺损(骨囊肿)。肌肉肉芽肿可引起局部肿胀、疼痛等。约有50%的病例累及神经系统,其症状变化多端。可有脑神经瘫痪、神经肌病、脑内占位性病变、脑膜炎等临床表现。结节病累及心肌时,可有心律失常,甚至心力衰竭表现,约有5%的病例累及心脏。亦可出现心包积液。结节病可干扰钙的代谢,导致血钙、尿钙增高,引起肾钙盐沉积和肾结石。累及脑垂体时可引起尿崩症,下视丘受累时可发生乳汁过多和血清乳泌素升高。对腮腺、扁桃体、喉、甲状腺、肾上腺、胰、胃、生殖系统等受累时,可引起有关的症状和体征,但较少见。
结节病可以累及一个脏器,也可以同时侵犯多个脏器。
【实验室和其他检查】
一、血液检查
活动进展期可有白细胞减少、贫血、血沉增快。约有1/2左右的患者血清球蛋白部分增高,以IgG增高者多见,其次是IgG、IgM增高较少见。血浆白蛋白减少。血钙增高,血清尿酸增加,血清碱性磷酸酶增高。血清血管紧张素转化酶(SACE)活性在急性期增加(正常值为17.6-34u/ml),对诊断有参考意义,血清中白介素-2受体(IL-2R)和可溶性白介素-2受体(sIL-2R)升高,对结节病的诊断有较为重要的意义。也可以a1-抗胰蛋白酶、溶菌酶、ß2-微球蛋白(ß2-MG)、血清腺苷脱氢酶(ADA)、纤维连结蛋白(Fn)等升高,在临床上有一定参考意义。
二、结核菌素试验
约2/3结节病人对100u结核菌素的皮肤试验无反应或极弱反应。
三、结节病抗原(Kveim)试验
以急性结节病人的淋巴结或脾组织制成1:10生理盐水混悬液体为抗原。取混悬液0.1-0.2ml作皮内注射,10天后注射处出现紫红色丘疹,4-6周后扩散到3-8mm,形成肉芽肿,为阳性反应。切除阳性反应的皮肤作组织诊断,阳性率为75%-85%左右。有2%-5%假阳性反应。因无标准抗原,故应用受限制,近年逐渐被淘汰。
四、活体组织检查
取皮肤病灶、淋巴结、前斜角肌脂肪垫、肌肉等组织作病理检查可助诊断。在不同部位摘取多处组织活检,可提高诊断阳性率。
五、支气管肺泡灌洗液检查
结节病患者支气管肺泡灌洗液(BALF)检查在肺泡炎阶段淋巴细胞和多核白细胞明显升高,主要是T淋巴细胞增多,CD4+、CD4+/CD8+比值明显增高。此外B细胞的功能亦明显增强。BALF中IgG、IgA升高,特别是IgG1、IgG3升高更为突出。有报道若淋巴细胞在整个肺效应细胞中的百分比大于28%时,提示病变活动。
六、经纤维支气管镜肺活检(TBLB)
结节病TBLB阳性率可达63%-97%,0期阳性率很低,Ⅰ期50%以上可获阳性,Ⅱ、Ⅲ期阳性率较高。
七、X线检查
异常的胸部X线表现常是结节病的首要发现,约有90%以上患者伴有胸片的改变。目前普通X线片对结节病的分期仍未统一。1961年,Scandding将结节病分为四期(1-4期),近年又将其分为五期(0,1-4期)。而目前较为常用的仍是Siltzbach分期,国内亦采用此分类方法。
0期 肺部X线检查阴性,肺部清晰。
Ⅰ期 两侧肺门和(或)纵隔淋巴结肿大,常伴右气管旁淋巴结肿大,约占51%。
Ⅱ期 肺门淋巴结肿大,伴肺浸润。肺部病变广泛对称地分布于两侧,呈1-3mm的结节状、点状或絮状阴影。少数病例可分布在一侧肺或某些肺段。病灶可在一年逐渐吸收,或发展成肺间质纤维化,约占25%。
Ⅲ期 仅见肺部浸润或纤维化,而无肺门淋巴结肿大,约占15%。
以上分期的表现并不说明结节病的发展的顺序规律,Ⅲ期不一定从Ⅱ期发展而来。
八、胸部计算机体层扫描(CT)
普通X线胸片对结节病诊断的正确率仅有50%,甚至有9.6%胸片正常的人肺活检为结节病。因此,近年来CT已广泛应用于结节病的诊断。能较准确估计结节病的类型、肺间质病变的程度和淋巴结肿大的情况。尤其是高分瓣薄层CT,为肺间质病变的诊断更为精确,其层厚为1-2mm。
九、67镓(67Ga)肺扫描检查
肉芽肿活性巨噬细胞摄取67Ga明显增加,肺内结节病肉芽肿性病变和肺门淋巴结可被67Ga所显示,可协助诊断,但无特异性。
【诊断】
结节病的诊断决定于临床症状和体征及组织活检,并除外其他肉芽肿性疾病。其诊断标准可归纳为:①胸部影像学检查显示双侧肺门及纵隔淋巴结对称肿大,伴或不伴有肺内网格、结节状或片状阴影;②组织学活检证实有非干酪性坏死性肉芽肿,且抗酸染色阴性;③SACE或SL活性增高;④血清或BALF中sIL-2r 高;⑤旧结核菌素(OT)或PPD试验阳性或弱阳性;⑥BALF中淋巴细胞>10%,且CD4+/CD8+比值≥3;⑦高血钙、高尿钙症;⑧Kveim试验阳性;⑨除外结核病或其他肉芽肿性疾病。以上九条条件中,①、②、③为主要条件,其他为次要条件。
【鉴别诊断】
应与下列疾病鉴别:
一、肺门淋巴结结核
患者较年轻、多在20岁以下,常有低度毒性症状,结核菌素试验多为阳性,肺门淋巴结肿大一般为单侧性,有时钙化。可见肺部原发病灶。
二、淋巴瘤
常见全身症状有发热、消瘦、贫血等, 胸膜受累,出现胸腔积液,胸内淋巴结肿大多为单侧或双侧不对称肿大,常累及上纵隔,隆凸下和纵隔淋巴结。纵隔受压可出现上腔静脉阻塞综合征。结合其他检查及活组织检查可作鉴别。
三、肺门转移性肿瘤
肺癌和肺外癌肿转移至肺门淋巴结,皆有相应的症状和体征,对可疑的原发灶作进一步检查可助鉴别。
四、其他肉芽肿病
如外源性肺泡炎、铍病、矽肺、感染性、化学性因素所致的肉芽肿,应与结节病相鉴别,结合临床资料及有关检查综合分析判断。
【治疗】
因多数病人可自行缓解,病情稳定、无症状的病人不需治疗。凡症状明显的Ⅱ、Ⅲ期病人及胸外结节病如眼部结节病、神经系统有结节病侵犯、皮肤、心肌受累、血钙、尿钙持续增高,SACE水平明显增高等可用激素治疗。常用泼尼松每日30-60mg,一次口服(或分次服用),用4周后逐渐减量为15-30mg/d,维持量为5-10mg/d用一年或更长。长期服用糖皮质激素应严密观察激素的副作用,其次可选用氯喹、甲氨蝶呤、硫唑嘌呤等治疗。
凡能引起血钙、尿钙增高的药物如维生素D,列为禁忌。
【预后】
与结节病的病情有关。急性起病者,经治疗或自行缓解,预后较好;而慢性进行性,侵犯多个器官,引起功能损害,肺广泛纤维化, 或急性感染等则预后较差。死亡原因常为肺原性心脏病或心肌、脑受侵犯所致。有报道平均5年随访中34%病例完全恢复,30%改善,20%不变,病情恶化和死亡各占8%。