肿瘤组织无论在细胞形态和组织结构上,都与其发源的正常组织有不同程度的差异,这种差异称为异型性(atypia)。肿瘤组织异型性的大小反映了肿瘤组织的成熟程度(即分化程度,在此指肿瘤的实质细胞与其来源的正常细胞和组织在形态和功能上的相似程度)。异型性小者,说明它和正常组织相似,肿瘤组织成熟程度高(分化程度高);异型性大者,表示瘤组织成熟程度低(分化程度低)。区别这种异型性的大小是诊断肿瘤,确定其良、恶性的主要组织学依据。恶性肿瘤常具有明显的异型性。
由未分化细胞构成的恶性肿瘤也称为间变性肿瘤。间变(anaplasia)一词的原意是指“退性发育”,即去分化,指已分化成熟的细胞和组织倒退分化,返回原始幼稚状态。现已知,绝大部分的未分化的恶性肿瘤起源于组织中的干细胞丧失了分化能力,而并非是已经分化的特异细胞去分化所致。在现代病理学中,间变指的是恶性肿瘤细胞的缺乏分化。间变性的肿瘤细胞具有明显的多形性(pleomorphism,即瘤细胞彼此在大小和形状上的变异)。因此,往往不能确定其组织来源。间变性肿瘤几乎都是高度恶性的肿瘤,但大多数恶性肿瘤都显示某种程度的分化。
良性肿瘤瘤细胞的异型性不明显,一般都与其发源组织相似。因此,这种肿瘤的诊断有赖于其组织结构的异型性。例如纤维瘤的细胞和正常纤维细胞很相似,只是其排列与正常纤维组织不同,呈编织状。恶性肿瘤的组织结构异型性明显,瘤细胞排列更为紊乱,失去正常的排列结构层次。例如,从纤维组织发生的恶性肿瘤—纤维肉瘤,瘤细胞很多,胶原纤维很少,排列很紊乱,与正常纤维组织的结构相差较远;从腺上皮发生的恶性肿瘤—腺癌,其腺体的大小和形状十分不规则,排列也较乱,腺上皮细胞排列紧密重叠或呈多层,并可有乳头状增生。
良性肿瘤细胞的异型性小,一般与其发源的正常细胞相似。恶性肿瘤细胞常具有高度的特异性,表现为以下特点:
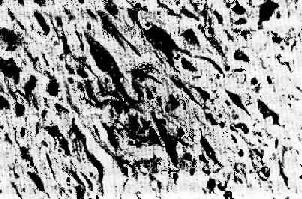
1.瘤细胞的多形性 即瘤细胞形态及大小不一致。恶性肿瘤细胞一般比正常细胞大,各个瘤细胞的大小和形态又很不一致,有时出现瘤巨细胞(图7-2)。但少数分化很差的肿瘤,其瘤细胞较正常细胞小、圆形,大小也比较一致。

图7-2 横纹肌肉瘤
瘤细胞大小、形状不一,并有瘤巨细胞出现
2.b] 即瘤细胞核的大小、形状及染色不一致。细胞核的体积增大(核肥大),胞核与细胞浆的比例比正常增大(正常为1:4~6,恶性肿瘤细胞则接近1:1),核大小及形状不一,并可出现巨核、双核、多核或奇异形的核,核染色深(由于核内DAN增多),染色质呈粗颗粒状,分布不均匀,常堆积在核膜下,使核膜显得增厚。核仁肥大,数目也常增多(可达3~5个)。核分裂像常增多,特别是出现不对称性、多极性及顿挫性等病理性核分裂像时,对于诊断恶性肿瘤具有重要的意义。恶性肿瘤细胞的核异常改变多与染色体呈多倍体(polyploidy)或非整倍体(aneuploidy)有关。
3.胞浆的改变 由于胞浆内核蛋白体增多,胞浆呈嗜碱性。并可因为瘤细胞产生的异常分泌物或代谢产物而具有不同特点,如激素、粘液、糖原、脂质、角质和色素等。
上述瘤细胞的形态,特别是胞核的多形性常为恶性肿瘤的重要特征,在区别良恶性肿瘤上有重要意义。
4.肿瘤细胞超微结构的异型性由于肿瘤类型不同,瘤细胞的超微结构亦有差异。一般说来,良性肿瘤细胞的超微结构基本上与其起源细胞相似。恶性肿瘤细胞根据分化的高低而表现出不同程度的异型性。总的说来,恶性肿瘤细胞的核通常绝对或相对明显增大,核膜可有内陷或外凸,从而使核形不规则甚至形成怪形核。核仁体积增大,数目增多,形状亦可不规则,位置往往靠边。染色质可表现为异染色质增加,凝集成块状散在或(和)边集在核膜下。此即光镜下所见的深染核和核膜增厚;也可表现为常染色质为主,即光镜下所见染色质呈细颗粒状的淡染核。胞浆内的细胞器常有数目减少、发育不良或形态异常,这在分化低的恶性肿瘤细胞更为明显。胞浆内主要见游离的核蛋白体,而其他细胞器大为减少。说明瘤细胞主要合成供自身生长的蛋白质,而丧失其分化的功能,这与瘤细胞生长迅速和恶性程度高有关。溶酶体在侵袭性强的瘤细胞中常有增多,它可释放出大量水解酶,为瘤细胞的浸润开路。细胞间连接常有减少,这在分化低的癌更为突出。可引起细胞间粘着松散,有利于细胞浸润生长。有些在一般情况下在细胞膜表面无微绒毛的瘤细胞也可出现一些不规则微绒毛,这有利于营养物质的吸收,但有碍于细胞间的紧密接触,从而减弱接触抑制,有利于细胞增殖和浸润。瘤细胞的排列结构在分化低的肿瘤也可丧失其原具有的特征改变,例如腺癌细胞可失掉形成腺体的特征而呈弥散排列。因此,恶性肿瘤的超微结构异型性的改变,除了瘤细胞本身的改变外,还可有排列结构的改变。