第四节 免疫缺陷病
免疫缺陷病(immunodeficiency diseases)是一组由于免疫系统发育不全或遭受损害所致的免疫功能缺陷引起的疾病。有二种类型:①原发性免疫缺陷病,又称先天性免疫缺陷病,与遗传有关,多发生在婴幼儿。②继发性免疫缺陷病,又称获得性免疫缺陷病,可发生在任何年龄,多因严重感染,尤其是直接侵犯免疫系统的感染、恶性肿瘤、应用免疫抑制剂、放射治疗和化疗等原因引起。
免疫缺陷病的临床表现因其性质不同而异,体液免疫缺陷的患者产生抗体的能力低下,因而发生连绵不断的细菌感染。淋巴组织中无生发中心,也无浆细胞存在。血清免疫球蛋白定量测定有助于这类疾病的诊断。细胞免疫缺陷在临床上可表现为严重的病毒、真菌、胞内寄生菌(如结核杆菌等)及某些原虫的感染。患者的淋巴结、脾及扁桃体等淋巴样组织发育不良或萎缩,胸腺依赖区和周围血中淋巴细胞减少,功能下降,迟发性变态反应微弱或缺如。免疫缺陷患者除表现难以控制的感染外,自身免疫病及恶性肿瘤的发病率也明显增高。
一、原发性免疫缺陷病
原发性免疫缺陷病是一组少见病,与遗传相关,常发生在婴幼儿,出现反复感染,严重威胁生命。因其中有些可能获得有效的治疗,故及时诊断仍很重要。按免疫缺陷性质的不同,可分为体液免疫缺陷为主、细胞免疫缺陷为主以及两者兼有的联合性免疫缺陷三大类。此外,补体缺陷、吞噬细胞缺陷等非特异性免疫缺陷也属于本组。我国各类原发性免疫缺陷病的确切发病率尚不清楚,其相对发病百分率大致为体液免疫缺陷占50%,细胞免疫缺陷10%,联合免疫缺陷30%,吞噬细胞功能缺陷6%,补体缺陷4%。
1.体液免疫(B细胞)缺陷为主的疾病表现为免球蛋白的减少或缺乏,包括:
(1)原发性丙种球蛋白缺乏症:有两种类型:①Bruton型,较常见,为婴儿性联丙种球蛋白缺乏病,与X染色体隐性遗传有关,仅发生于男孩,于出生半年以后开始发病;②常染色体隐性遗传型,男女均可受累,也可见于年人。本病的特点在于:血中B细胞明显减少甚至缺如,血清免疫球蛋白(IgM、IgG、IgA)减少或缺乏,骨髓中前B细胞发育停滞。全身淋巴结、扁桃体等淋巴组织生发中心发育不全或呈原始状态;脾和淋巴结的非胸腺依赖区淋巴细胞稀少;全身各处浆细胞缺如。T细胞系统及细胞免疫反应正常。
由于免疫缺陷,患儿常发生反复细菌感染,特别易受流感嗜血杆菌、酿脓链球菌、金黄色葡萄球菌、肺炎球菌等感染,可引起中耳炎、鼻窦炎、支气管炎、肺炎、脑膜炎或败血症而致死。注射丙种球蛋白,能控制感染,但由于无法提高呼吸道等粘膜处的SlgA,因此鼻部、肺部的感染极易复发。
(2)孤立性IgA缺乏症:本病是最常见的先天性免疫缺陷病,患者的血清IgA和粘膜表面分泌型IgA(SlgA)均缺乏。可以是家族性或获得性,前者通过常染色体隐性或显性遗传。患者多无症状,有些可有反复鼻窦或肺部感染及慢性腹泻、哮喘等表现。自身免疫、过敏性疾病的发病率也较高。血清Iga 低下(<5mg/dl)为确诊本病的重要依据。
本病的发病与IgA B细胞的分化障碍有关。患者Iga B细胞的数量正常,但多数为不成熟表型,在体外仅少数能转化为IgA细胞。
约有50%的本病患者血清中含IgA自身抗体。因此应避免注射含IgA的血制品,如错误地给予IgA或输血治疗,可引起过敏性休克。
(3)普通易变免疫缺陷病:普通易变免疫缺陷病(common variable immunodeficiency)是相当常见而未明确了解的一组综合征。男女均可受累,发病年龄在15~35岁不等,可为先天性或获得性。其免疫缺陷累及范围可随病期而变化,起病时表现为低丙种球蛋白血症,随着病情进展可并发细胞免疫缺陷。其特点是:①低丙种球蛋白血症,免疫球蛋白总量和IgG均减少;②2/3患者血循环中B细胞数量正常,但不能分化为浆细胞;淋巴结、脾、消化管淋巴组织中B细胞增生明显,但缺乏浆细胞。部分病例有T辅助细胞减少、T抑制细胞过多;部分病例有抗T细胞B细胞的自身抗体;或巨噬细胞功能障碍;③患者主要表现为呼吸道、消化道的持续慢性炎症,自身免疫病的发病率也较高。
2.细胞免疫(T细胞)缺陷为主的疾病单纯T细胞免疫缺陷较为少见,一般常同时伴有不同程度的体液免疫缺陷,这是由于正常抗体形成需要T、B细胞的协作。T细胞免疫缺陷病的发生与胸腺发育不良有关,故又称胸腺发育不良或Di George综合征。本病与胚胎期第Ⅲ、Ⅳ对咽囊发育缺陷有关,因此,患者常同时有胸腺和甲状旁腺缺如或发育不全,先天性心血管异常(主动脉缩窄、主动脉弓右位畸形等)和其他脸、耳畸形。周围血循环中T细胞减少或缺乏,淋巴组织中浆细胞数量正常,但皮质旁胸腺依赖区及脾细动脉鞘周围淋巴细胞明显减少。常在出生后即发病,主要表现为各种严重的病毒或真菌感染,呈反复慢性经过。近年来应用胸腺素(thymosin)或胚胎胸腺上皮移植治疗,获得一定疗效。
3.联合性免疫缺陷病
(1)重症联合性免疫缺陷病:本病是一种体液免疫、细胞免疫同时有严重缺陷的疾病,一般T细胞免疫缺陷更为突出。患者血循环中淋巴细胞数明显减少,成熟的T细胞缺如,可出现少数表达CD2抗原的幼稚的T细胞。免疫功能如,无同种异体排斥反应和迟发型过敏反应,也无抗体形成。本病的基本缺陷尚不清楚,可能与干细胞分化为T、B细胞发生障碍或胸腺及法氏囊相应结构的发育异常有关。病变主要表现为淋巴结、扁桃体及阑尾中淋巴组织不发育;胸腺停留在6~8周胎儿的状态,其中无淋巴细胞或胸腺小体,血管细小。患儿由于存在体液和细胞免疫的联合缺陷,对各种病原生物都易感,临床上常发生反复肺部感染、口腔念珠菌感染、慢性腹泻、败血症等。在治疗方面可选用正常骨髓干细胞移植或同胞兄妹骨髓移植。但供体骨髓中T细胞介导的移埴物抗宿主反应(GVH)往往是造成治疗失败的严重问题。
约有25%~50%的重症联合免疫缺陷病例,主要与先天性缺乏腺苷脱氨酶(adenosine deaminase,ADA)有关。一则严重影响细胞DNA包括淋巴细胞DNA的合成代谢,同时由于三磷酸脱氧腺苷在淋巴细胞的堆积,后者对淋巴细胞尤其是T细胞具有一定的毒性作用,从而造成淋巴细胞在增补、分化及功能方面的障碍。测定病人红细胞的ADA有助于诊断本病。给病儿输入含有ADA活性的红细胞可一定程度地改善其免疫功能状态。
(2)伴血小板减少和湿疹的免疫缺陷病:本病又称Wiscott-Aidrich综合征,是一种X染色体隐性遗传性免疫缺陷病,多见于男孩,临床表现为湿疹、血小板减少及反复感染。免疫缺陷早期表现为对多糖类抗原的体液免疫应答不全,患儿对肺炎球菌和其他带多糖荚膜的细菌特别易感。随着年龄增长,逐渐出现细胞免疫缺陷,易患病毒和卡氏肺孢子虫感染。因血小板功能下降而常伴明显的出血倾向。血中IgM明显减少,IgG正常,在有些患者IgA、IgE可升高,淋巴细胞数通常正常。各种疾苗接种后,抗体形成反应微弱,T细胞功能欠佳,迟发型变态反应不良,患者中恶性淋巴瘤发病率较高。骨髓移植对有些患有一定疗效。
(3)伴共济失调和毛细血管扩张症的免疫缺陷病:本病是常染色体隐性遗传性疾病,常累及幼儿,兼有T、B细胞免疫缺陷。一般2岁开始起病,临床特点包括小脑性共济失调,眼结膜和皮肤毛细血管扩张,反复鼻窦及肺部感染等。过去认为本病是一种神经系统疾病,目前已知除神经系统外,血管、内分泌及免疫系统均可受累,40%患者显示选择性IgA缺陷。
患者胸腺发育不良,淋巴细胞和胸腺小体均严重缺乏,皮质髓质界限模糊。淋巴结无滤泡形成,浆细胞也少见。关于本病出现多系统异常的机制,尚无一致的见解,可能与DNA修复功能障碍有关,患者并发恶性淋巴瘤的机率甚高。
4.吞噬细胞功能障碍本病表现为吞噬细胞数量减少、游走功能障碍、吞噬能力虽正常,但由于胞内缺乏各种消化病原的酶而丧失了杀灭和消化病原的能力。患者对致病与非致病微生物均易感,因而易发生反复感染,其中慢性肉芽肿病是一种X染色体隐性遗传性疾病,一般在2岁左右起病,表现为颈淋巴结、皮肤、肺、骨髓等处慢性化脓性炎或肉芽肿性炎、肝、脾肿大。
5.补体缺陷 补体在炎症及免疫反应中起着重要作用,常见的补体缺陷有①C3缺乏或C3抑制物缺乏,后者使C3过度消耗同样使血清中C3水平下降,导致反复细菌感染。②C1抑制物缺陷,C1抑制物是血清中的一种糖蛋白,除对Cis有抑制作用外,尚可抑制纤溶酶原、激肽等炎症介质的激活,因此C1抑制物的缺陷,可导致血管通透性增加、组织水肿,即所谓的遗传性血管水肿。
二、 继发性免疫缺陷病
许多疾病可伴发继发性免疫缺陷病,包括感染(风疹、麻疹、麻风、结核病、巨细胞病毒感染、球孢子菌感染等)、恶性肿瘤(何杰金病、急性及慢性白血病、骨髓瘤等)、自身免疫性疾病(SLE、类风湿性关节炎等)、蛋白丧失(肾病综合征、蛋白丧失肠病)、免疫球蛋白合成不足、淋巴细胞丢失(因药物、系统感染等)以及某些其他疾病(如糖尿病、肝硬变、亚急性硬化性全脑炎)和免疫抑制治疗等。继发性免疫缺陷病可以是暂时性的,当原发疾病得到治疗后,免疫缺陷可恢复正常;也可以是持久性的。继发性免疫缺陷常由多因素参与引起,例如癌肿伴发的继发性免疫缺陷病可由于肿瘤、抗癌治疗和营养不良等因素所致。
继发性免疫缺陷病较原发性者更为常见,但无特征性的病理变化。本病的重要性在于机会性感染所引起的严重后果。因此及时的诊断和治疗十分重要。本节着重途述发病率日增而死亡率极高的获得性免疫缺陷综合征(艾滋病)。
获得性免疫缺陷综合征(acquired immunodeficiency syndrome,AIDS)自1981年首先由美国疾病控制中心报道以来,不仅在美国而且在全球日益蔓延。根据1993年8月世界卫生组织的调查估计,目前世界上已有1400万人携带HIV,死亡人数达200万,其中70%是中非和东非人。本病的特点为T细胞免疫缺陷伴机会性感染和(或)继发性肿瘤。临床表现为发热、乏力、体重下降、腹泻、全身淋巴结肿大及神经系统症状。50%患者有肺部机会性卡氏肺孢子虫(pneumocystis carinii)感染,其他机会性病原有曲霉、白色念珠菌、隐球菌,巨细胞病毒(cytomegalovirus)、疱疹病毒(herpes virus )和弓形虫(toxoplasma)等。此外,约有1/3患者有多发性Kaposi肉瘤、淋巴瘤等。病情险恶,死亡率高。流行病学调查发现,本病的发生与以下危险因素有关:①男性同性恋,约占70%;②静脉注射毒品约占17%;③接受血制品而获得感染者约占1%;④双亲都具有上述危险因素的婴儿以及与高危险人有异性性接触者,等等。
病因和发病机制
本病的病因是人类免疫缺陷病毒(HIV)。许多事实证实该病毒与AIDS的关系密切,表现为:在患者的淋巴样细胞和体液(精液、唾液及脑脊液)中可分离出HIV;抗HIV抗体几乎在90%的患者中可被检出,与正常人群中1%的检出率相比有显著的差别;此外,与HIV有交叉反应的STLV-Ⅲ在猕猴中能引起AIDS样病。
AIDS病的主要传染途径为:①性交接触感染,最为常见;②应用污染的针头作静脉注射;③输血和血制品的应用;④母体病毒经胎盘感染胎儿或通过哺乳、粘膜接触等方式感染婴儿。
HIV选择性地侵犯和破坏TH细胞是AIDS发病的症结所在,由于HIV与TH细胞表面的CD4分子高度亲和,因而CD4分子可认为是HIV的受体乃入侵门户。HIV为一种C型逆转录病毒,分核心及包壳二大部分,包壳的糖蛋白gp120和ap41可先后与TH细胞膜上的CD4分子结合而进入TH细胞。在细胞内,病毒基因经逆转录而产生前病毒DNA,后者一经整合到宿主细胞的DNA,即可转录出完整的病毒颗粒,大量病毒颗粒在CD4+细胞膜处通过出芽而释放,并导致该细胞的溶解和死亡。由于TH细胞是调节整个免疫系统的枢纽细胞,TH细胞的消减必然影响到IL-2、γ-干扰素以及激活巨噬细胞、B细胞等有关的多种淋巴因子的分泌,将进一步影响TH细胞及其他免疫活性细胞的功能,包括:①TH细胞克隆增生和混合淋巴细胞反应降低,淋巴因子减少,对可溶性抗原的反应也减弱;②Ts(Tc)细胞克隆增生降低,特异性细胞毒反应减少;③NK细胞杀灭肿瘤细胞的功能降低;④B细胞在特异性抗原刺激下不产生正常的抗体反应,而原因不明的激活和分化引起高丙种球蛋白血症;⑤巨噬细胞对一般信号无反应,溶解肿瘤细胞、杀灭胞内寄生菌、真菌、原虫的功能减弱(图4-14)。
近年来发现HIV尚可感染组织中的单核巨噬细胞。由于巨噬细胞表面亦有少量CD4分子存在,因此其感染方式可通过HIV的gp120与CD4分子结合;更主要是通过抗HIV的凋理,经巨噬细胞的Fc受体吞噬HIV而使细胞受染。在巨噬细胞内复制的病毒,通常贮藏于胞浆内,不像TH细胞那样在胞膜上大量出芽,因而巨噬细胞不会迅速死亡,反可作为“地下工厂”及运载工具将病毒运至其他部位。例如已经发现,在脑组织,以小胶质细胞内含的HIV最多,但可能来自巨噬细胞的运送。受HIV感染后的巨噬细胞,其递呈抗原及分泌单核因子等功能亦将受到抑制。
综合以上后果,导致严重免疫缺陷,构成了AIDS发病的中心环节。此外遗传素质对本病的发生也可能有一定影响,ADIS患者中HLA-DR5抗原阳性率较高。

图4-14 HIV侵犯TH细胞后免疫调节障碍示意图
病变
病变可归纳为全身淋巴样组织的变化,机会性感染和恶性肿瘤三个方面。
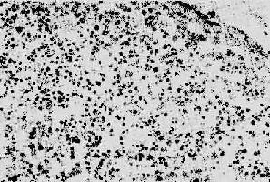
1.淋巴样组织的变化早期及中期,淋巴结肿大。镜下,最初有淋巴滤泡明显增生,生发中心活跃,髓质出现较多浆细胞。随后滤泡的外套层淋巴细胞减少或消失,小血管增生,并有纤维蛋白样物质或玻璃样物质沉积,生发中心被零落分割。副皮质区的淋巴细胞(CD4+细胞)进行性减少,代之以浆细胞浸润。晚期的淋巴结病变,往往尸检时才能看到,呈现一片荒芜,淋巴细胞,包括T、B细胞几乎均消失殆尽,无淋巴滤泡及副皮质区之分,仅有一些巨噬细胞和浆细胞残留(图4-15)。有时特殊染色可显现大量分枝杆菌、真菌等病原微生物,却很少见到肉芽肿形成等细胞免疫反应性病变。
AIDS病人的脾呈轻度肿大,镜下有淤血,T、B细胞均减少,淋巴滤泡及淋巴鞘缺如。死于感染的病例,脾内常有较多中性粒细胞及一些吞噬病原微生物的巨噬细胞。扁桃体、小肠、阑尾和结肠内的淋巴样组织均萎缩,淋巴细胞明显减少。胸腺的组织与同龄人相比,呈现过早萎缩,淋巴细胞减少、胸腺小体钙化。
2.继发性感染多发性机会感染是本病另一特点,感染的范围广泛,可累及各器官,其中以中枢神经系统、肺、消化道的疾病最为常见。病原种类繁多,一般可有二种以上感染同时存在。由于严重的免疫缺陷,感染所致之炎症反应往往轻而不典型。如肺部结核菌感染,很少形成典型的肉芽肿性病变,而病灶中的结核杆菌却甚多。
约有半数病例有卡氏肺孢子虫感染,因之对诊断本病有一定参考价值。病变区肺间质及肺泡腔内有较多巨噬细胞及浆细胞浸润,其特征性变化是肺泡腔内出现由大量免疫球蛋白及原虫组成的伊红色泡沫样渗出物。
约70%的病例有中枢神经系统受累,其中继发性机会感染有播散性弓形虫或新型隐球菌(cryptococcus neoformans)感染所致的脑炎或脑膜炎;巨细胞病毒和乳多空病毒(papovavirus)所致的进行性多灶性白质脑病等。由HIV直接引起的疾病有脑膜炎、亚急性脑病、痴呆等。这一情况提示,除淋巴细胞、巨噬细胞外,神经系统也是HIV感染的靶组织。
3.恶性肿瘤 约有30%患者可发生Kaposi肉瘤。该肿瘤为血管内皮起源,广泛累及皮肤、粘膜及内脏,以下肢最为多见。肉眼观肿瘤呈暗蓝色或紫棕色结节。镜下显示成片梭形肿瘤细胞,构成毛细血管样空隙,其中可见红细胞。与典型的Kaposi肉瘤不同之处在于其多灶性生长和进行性临床过程。其他常见的伴发肿瘤包括未分化性非何杰金淋巴瘤、何杰金和Burkitt淋巴瘤等,脑原发性淋巴瘤也很常见。
临床病理联系
临床上将AIDS的病程分为三个阶段:①早期或称急性期,感染病毒3~6周后可出现咽痛、发热、肌肉酸痛等一些非特异性表现。病毒在体内复制,但由于患者尚有较好的免疫反应能力,2~3周后这种急性感染症状可自行缓解;②中期或称慢性期,机体的免疫功能与病毒之间处于相互抗衡阶段,在某些病例此期可长达数年或不再进入末期。此期病毒复制持续于低水平,临床可以无明显症状或出现明显的全身淋巴结肿大,常伴发热、乏力、皮疹等;③后期或称危险期,机体免疫功能全面崩溃,病人持续发热、乏力、消瘦、腹泻,并出现神经系统症状,明显的机会感染及恶性肿瘤,血液化验可见淋巴细胞明显减少(<30%),CD4+细胞减少尤为显著,CD4+细胞与CD8+细胞之比可由原来的2下降至0.5以下,细胞免疫反应丧失殆尽。
本病的预后差,死亡率达100%,致病原因虽已清楚,但制备有效的疫苗尚有待时日,其困难在于HIV在不同的患者有惊人的多型性,目前又无理想的治疗药物,因此大力开展预防,对防止AIDS流行至关重要。

图4-15 AIDS淋巴结
淋巴细胞明显减少,无淋巴滤泡及副皮质区之分
(张月娥)