煤工尘肺间质纤维化的高分辨率CT表现及病理基础
中华劳动卫生职业病杂志 1998年第5期第0卷 调查研
作者:关砚生 马大庆 贺文 李军
单位:102300 北京,煤炭工业部职业医学研究所(关砚生、李军);首都医科大学附属友谊医院(马大庆、贺文)
X线胸片是诊断尘肺的主要方法,但对于早期尘肺间质纤维化的发现有一定的局限性。笔者研究了煤工尘肺(CWP)间质纤维化的高分辨率CT(HRCT)表现及病理基础,以提高CWP的诊断水平。
一、对象与方法
10例尸检肺标本来自北京矿务局所属各矿,死者平均年龄58.20岁,平均工龄21.36年,采煤工6例、掘进工4例。肺标本常规从气管灌注10%福尔马林,使肺膨胀至正常状态,1周后经气管注入氧气,直至液体全部从胸膜表面逸出,制成固定的充气标本。HRCT扫描采用西门子SOMATON DS3及PQ2000 CT机。6例行冠状扫描,4例兼行冠状及横断扫描。扫描层采取主动脉弓和肺门上、中、下部及膈上部水平面。病理检查根据CT层取材,HE染色,部分作了网织、V.G染色和天狼猩红染色。
尘性纤维化病变程度判定标准:早期:尘性纤维化局限在小叶间隔内;中期:纤维化突破小叶间隔,呈网状;晚期:纤维化连成片状。
二、结果
10例标本主要HRCT所见为:小叶间隔增厚及小叶结构增粗8例、局限性蜂窝状影像2例、合并肺内大片实变影像1例。根据每例主要CT影像和病理改变,本组病例可分为以下3组:
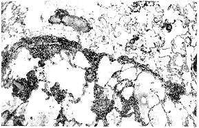
1.以小叶间隔增厚为主要表现4例。CT表现为小叶间隔增厚、密度增高,同时小叶中心结构增粗,主要位于肺脏外周部位及胸膜下,可形成胸膜下环状分布的多发条状影(图1)。病理所见:小血管、小支气管周围煤尘沉着,尘性纤维化,呼吸性细支气管向肺泡隔或小叶间隔发展,纤维化局限在小叶间隔内,形成纤维化的早期改变(图2)。
2.以局限性细小蜂窝状影为主要表现4例。均合并有小叶间隔增厚。主要CT表现为多发的环状影像,环的内径为1~3 mm,位于肺边缘,肺底、肺尖多见(图3)。病理观察:肺泡间隔分离、断裂或消失,气肿囊融合、扩大,小叶边缘肺泡被挤向小叶间隔,气肿囊壁由呼吸性支气管壁、小叶间隔内的血管构成,囊壁厚0.1~1.0 mm,纤维化突破肺小叶界限形成网架状,构成纤维化的中期改变(图4)。
3.广泛多发影像为主要表现2例。1例合并肺内广泛实变,环状囊腔多发聚集,内径3~10 mm,在肺内广泛分布,可从胸膜下延至肺门旁,但在上叶中部较轻,囊壁厚薄不均;1例合并肺实变,见下叶体积变小,有支气管扩张现象。病理检查见多个囊腔彼此相连,囊壁厚2~3 mm,病变集中处正常气道结构消失,支气管扭曲变形,纤维化毁损大片肺组织,为晚期纤维化。

图1 胸膜下环状分布的多发条状影

图2 多发的环状影像,内径1~3mm,位于肺边缘

图3 多发的环状影像,内径1~3mm,位于肺边缘

图4 尘性纤维化突破肺小叶界限形成网架状
三、讨论
1.肺间质纤维化不同严重程度的HRCT表现:根据组织材料,尘性纤维化可以分为轻度、中度和重度:轻度改变为小叶间隔增厚和小叶内结构增粗;中度改变为局限性小蜂窝状影像;重度改变为肺内广泛环状影像,或合并有实变。由于同一时期,甚至在同一肺叶可有正常、轻、中及重度影像出现,因而对于病变程度的判断要根据主要病变的分布范围。
2.关于肺间质纤维化HRCT的严重程度与病理分期的关系:病理上一般可以将肺间质纤维化分为早期、中期和后期。病理组织学分期的标准是根据肺间质纤维化的严重程度,即纤维化局限在小叶间隔为早期;纤维化突破小叶间隔形成网状为中期;纤维化连成大片状为晚期。本文HRCT的轻、中和重度改变相当于病理学的早期、中期和晚期,因而HRCT所见可反映疾病发展过程的某一时期。
3.关于肺间质纤维化的早期诊断:小叶间隔增厚可否作为肺间质纤维化的HRCT表现有不同认识。小叶间隔增厚可见于多种情况,如:吸烟、感染及外伤后和一些内科疾病,并受年龄影响[1]。关于石棉肺的研究表明:小叶间隔增厚作为诊断依据过于敏感[2]。但是有研究证实:小叶间隔增厚确实为早期间质纤维化的唯一表现[3]。本调查中有4例仅有小叶间隔增厚而无其它异常,表明:在有临床及职业史的前提下,可以将小叶间隔增厚及小叶内结构增粗作为间质纤维化早期的HRCT表现。
参考文献
1 Kree L. Computed tomography of intertitial pulmonary disease.J Comput Assist Tomogr,1982,6:181~199.
2 Kree L. Computed tomography in the evaluation of pulmonary asbestosis.Acta Radiol,1976,17:405~412.
3 Paul E.Task Force on Occpational Respiratory Disease.Health and Welfare. Canada Ottawa:Cznadian Goverment,1979.35~48.
(收稿:1997-10-10)